EN IEC 62680-1-2?/-3?是國際電工委員會(IEC)制定的關于USB接口的國際標準,旨在促進電子設備充電接口的統一化,特別是對USB Type-C接口和USB PD協議的支持,以減少電子垃圾和提高電子設備的互操作性。
總的來說,就是減少浪費和電子廢物的產生,提高環保,減少碳排放。
執行日期
1、以下1.1 到1.12 所列的無線電設備在2024 年12 月28 日實施
2、筆記本電腦在2026年4月28日執行
適用產品范圍識別流程
*只能通過無線電力傳輸的設備不適用。
適用產品目錄
標準要求
1、EN IEC 62680-1-3:2022 “Universal serial bus interfaces for data and power – Part 1-3: Common components – USB Type-C® Cable and Connector Specification”。
Universal Serial Bus Type-C (USB Type-C) Functional Test Specification Chapters 4 and 5
不具備PD功能的無線電設備的端口必須滿足以上標準的要求。
2、EN IEC 62680-1-2:2022 “Universal serial bus interfaces for data and power – Part 1-2: Common components – USB Power Delivery specification”。
USB Power Delivery Compliance Test Specification:
https://www.usb.org/document-library/usb-power-delivery-compliance-test-specification-0
具有PD功能的無線電設備需要滿足上述2個標準的要求。
怎么判斷設備是否需要滿足PD 的要求呢?
有線充電的電壓大于5V,電流大于3A 或者功率大于15W,就必須滿足PD的要求。
注:短時稍微超過以上規格是可以忽略的。
不帶充電器銷售的包裝要求
注:
1. 經營者可以提供配充電器的無線電設備捆綁銷售,同時也要給消費者提供不配充電器的相同無線電設備;
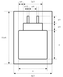
2. 以上圖形可以在外觀上有所變化(如顏色,實心或空心,線條粗細)只要保持可見和易讀;
大小應根據以上比例調整,a的尺寸必須大于或等于7mm.
包裝示例
包裝要求2
不管無線電設備是否帶充電器銷售,都需要在包裝中包含以下圖形。
說明書要求
不管無線電設備是否包含充電器銷售,都需要在說明書中包含以下圖形。
注:
1. “XX”應該表示為無線電設備所需的最小功率,“YY”應該表示為無線電設備達到最快充電速度的所需的功率;“USB PD”是 (USB Power Delivery) 的縮寫。(沒有PD功能不寫USB PD)
2.無線電設備附帶的說明書中必須提供有關充電能力和兼容充電設備的規格信息。也可以采用QR或者其他電子顯示的方式。
1、VIF文件,用于測試PD和Type-C function;
2、端子的測試報告;
3、說明書和外包裝,注意前面提到的要求。

符合指令Directive (EU) 2022/2380 的產品上的Type-C 連接器應滿足標準:EN IEC 62680-1-3,有以下兩種參考解決方案:
(1)使用已經通過USB-IF 認證的Type-C 端子,并提供其TID 證書和對應的檢測報告;
(2)提供Type-C 端子的第三方實驗室的EN IEC 62680-1-3 檢測報告。
| 檢測中心 | 認證服務 | 新聞動態 | 關于東電 | 服務支持 | 聯系我們 |
![]() |
業務咨詢:(東莞)0769-38826677 總部電話:0769-3882-6678 傳真:0769-3882-6679
郵箱:service@dgddt.com; Copyright © 2018-2019 http://www.bokezhuti.cn 廣東東電檢測技術有限公司 版權所有 |
![]() |